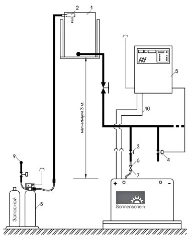
Централізована система автоматичного доливання води Aquamatic

При наявності великої кількості акумуляторних батарей (понад 10) раціонально використовувати централізовану систему доливання води. Ця система складається з іонообмінника, бака для дистильованої води та системи розподілу дистильованої води на місця зарядки батарей. Кожна батарея повинна бути обладнана системою Aquamatic, де пробка виконує роль поплавця з клапаном, що контролює рівень електроліту в елементі.
Використання централізованої системи автоматичного доливання води спрощує процес обслуговування батарей, прискорює його, а також мінімізує можливі помилки під час цього процесу.